Mitsubishi Outlander nav radio to bench test
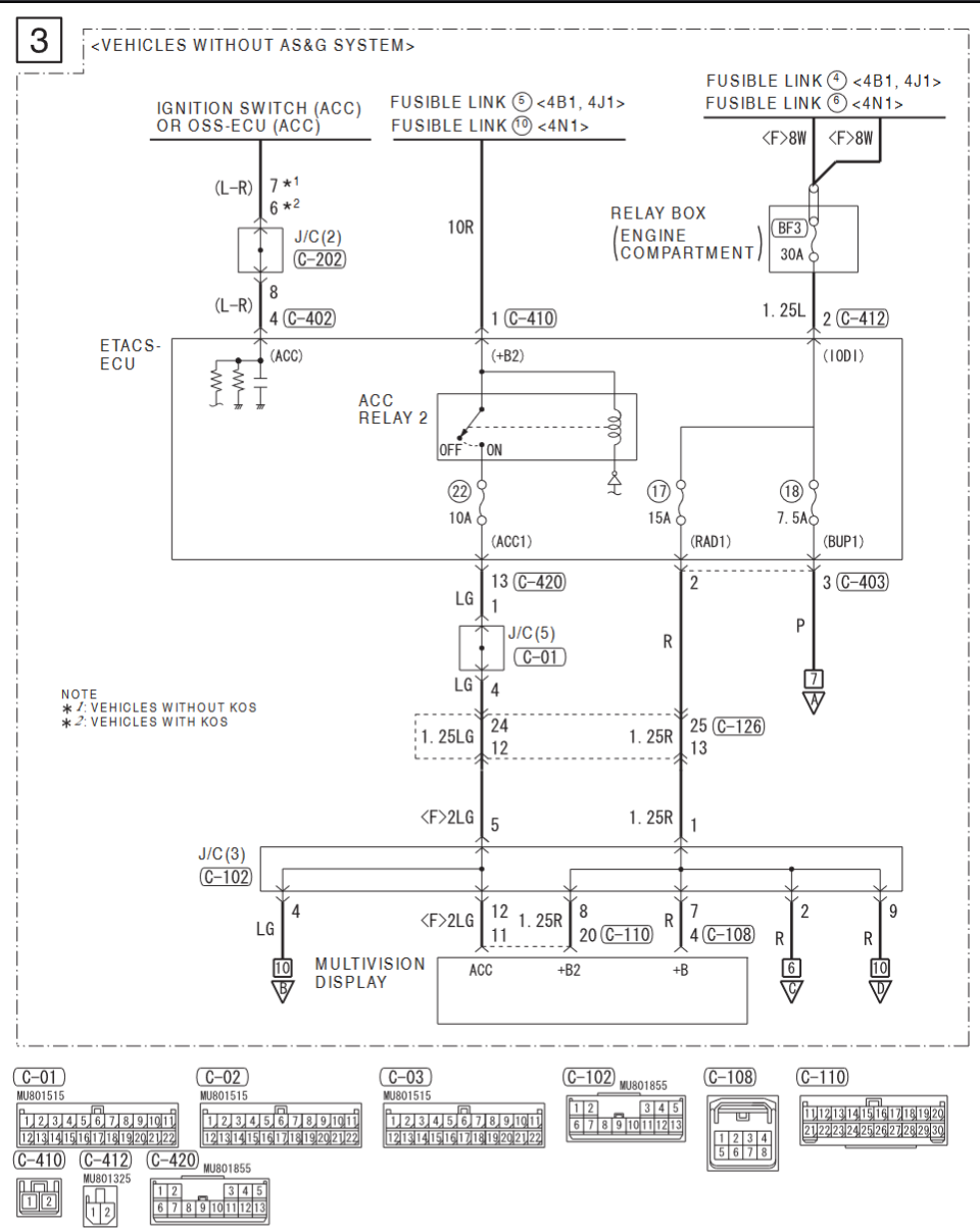
Hello guys . I am trying to bench test this radio , I tried attaching the 12V constant and the ignition 1 and 10 Pin , but still can’t get the display to show. Is there another wire I need to tap so it will show the screen?
thanks in advance
Some help you may find here (when I made adapter for 3rd party stereo unit with steering wheel remote buttons):
https://mitsubishiforum.com/forum/mi...t-radio-54046/
Might be that your radio need ACC signals, hopefully not CAN bus.
https://mitsubishiforum.com/forum/mi...t-radio-54046/
Might be that your radio need ACC signals, hopefully not CAN bus.
Thread
Thread Starter
Forum
Replies
Last Post



