2016 Outlander MMCS to SDA Head Unit Swap
Where did you buy the cable and the fascia? Do you have a link?
I will get my SDA in the next week so your help is badly needed.
I will get my SDA in the next week so your help is badly needed.
Hi,
I have (somewhat) successfully swapped my MMCS unit for the SDA in my MY2016 4H outlander Phev. I have the issue with the mic not working and wondered if anyone had come across a fix for this? Also the preheat/charge timers from the head unit are not accessible. Everything else is working great though including Apple CarPlay after purchasing the cable 8755A296 and facia 8718A030
I have (somewhat) successfully swapped my MMCS unit for the SDA in my MY2016 4H outlander Phev. I have the issue with the mic not working and wondered if anyone had come across a fix for this? Also the preheat/charge timers from the head unit are not accessible. Everything else is working great though including Apple CarPlay after purchasing the cable 8755A296 and facia 8718A030
What is the cable for?
why do you need a fascia, shouldn’t it be straight forward replacement?
can you please show a photo of your finished project?
why do you need a fascia, shouldn’t it be straight forward replacement?
can you please show a photo of your finished project?
I am in the process of doing the same conversion. I got my SDA from a wrecker together with USB cables. Everything is good except no mic and no DAB+ radio. Foxtrotoscar has solved the DAB+ issue if I can get the same conversion cables that he used. The schematics sound very interesting and may shed light on the mic problem. Where or how did you get them? My other big problem is I have a Google Pixel 2 XL and it's not on the compatibility list with the SDA. The Pixel 2 is, but not the 2 XL. Is it just that the list was compiled before the 2 XL was on the market, or does the SDA interrogate the connected phone?
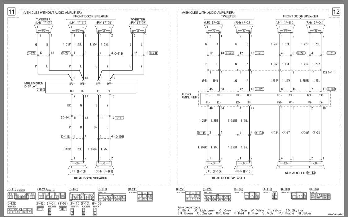
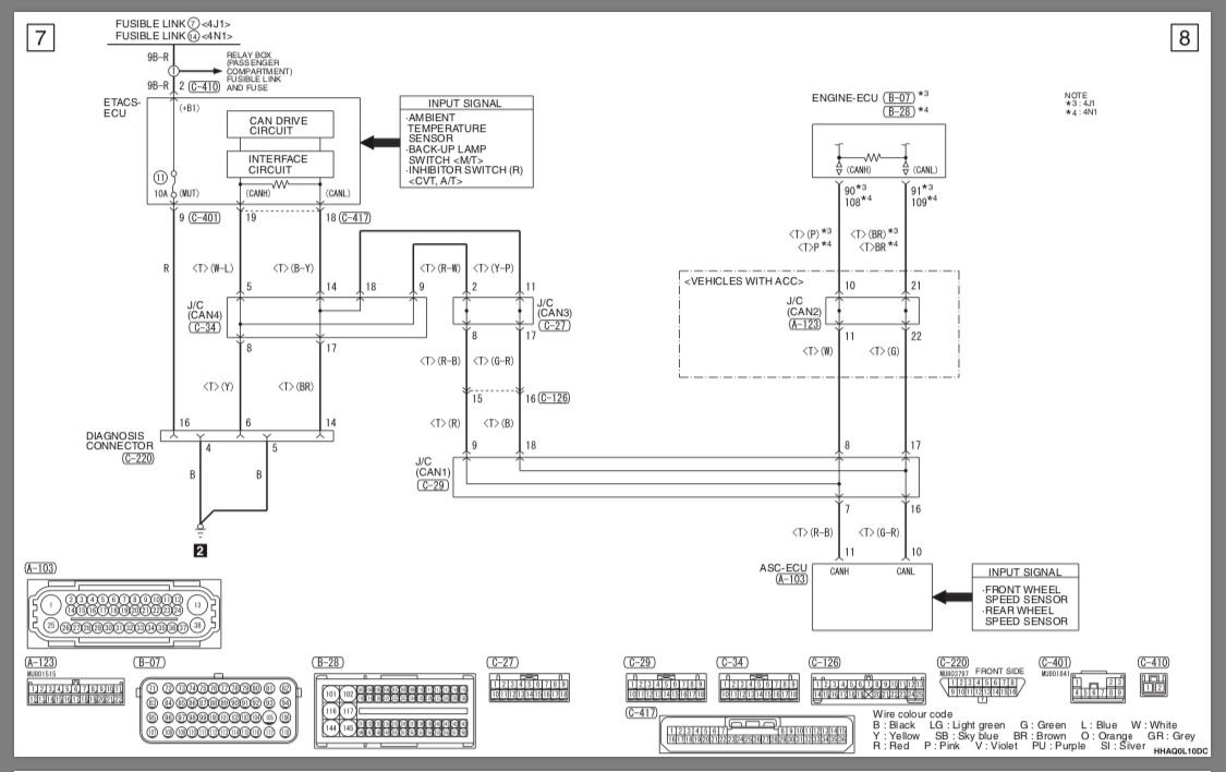
I can share the schematics if you need it.
the USB cables I got from the wreckers is not complete, they have cut it in the middle. How dis you manage to get it working?
the USB cables I got from the wreckers is not complete, they have cut it in the middle. How dis you manage to get it working?
I am in the process of doing the same conversion. I got my SDA from a wrecker together with USB cables. Everything is good except no mic and no DAB+ radio. Foxtrotoscar has solved the DAB+ issue if I can get the same conversion cables that he used. The schematics sound very interesting and may shed light on the mic problem. Where or how did you get them? My other big problem is I have a Google Pixel 2 XL and it's not on the compatibility list with the SDA. The Pixel 2 is, but not the 2 XL. Is it just that the list was compiled before the 2 XL was on the market, or does the SDA interrogate the connected phone?
The cables I got from the wrecker were complete. It would be great if you could share the schematics.
Please give me direction of what you find and how you completed the changeover once you complete it. Thanks.


