Dealer A/C evaporator replacement cost?
$2600 is a "little" high?
I suggest that you get quotes from several local shops that specialize in AC before you submit to a Mit. dealer's financial assault. Ask each shop if they have actually replaced the evaporator in a Mitsubishi Outlander.
If you're mechanically inclined and willing to get your hands dirty, you can try doing the job yourself. Here's a decent video of the evap replacement in a 2015.
The practical problem is that once you begin the job, you probably won't be able to use the vehicle until it's finished.
I suggest that you get quotes from several local shops that specialize in AC before you submit to a Mit. dealer's financial assault. Ask each shop if they have actually replaced the evaporator in a Mitsubishi Outlander.
If you're mechanically inclined and willing to get your hands dirty, you can try doing the job yourself. Here's a decent video of the evap replacement in a 2015.
$2600 is a "little" high?
I suggest that you get quotes from several local shops that specialize in AC before you submit to a Mit. dealer's financial assault. Ask each shop if they have actually replaced the evaporator in a Mitsubishi Outlander.
If you're mechanically inclined and willing to get your hands dirty, you can try doing the job yourself. Here's a decent video of the evap replacement in a 2015.
https://www.youtube.com/watch?v=HtJ3FHOm1Kc
The practical problem is that once you begin the job, you probably won't be able to use the vehicle until it's finished.
I suggest that you get quotes from several local shops that specialize in AC before you submit to a Mit. dealer's financial assault. Ask each shop if they have actually replaced the evaporator in a Mitsubishi Outlander.
If you're mechanically inclined and willing to get your hands dirty, you can try doing the job yourself. Here's a decent video of the evap replacement in a 2015.
https://www.youtube.com/watch?v=HtJ3FHOm1Kc
The practical problem is that once you begin the job, you probably won't be able to use the vehicle until it's finished.
Last edited by Truwarrior22; May 31, 2023 at 08:32 PM.
Just one example:
https://www.aliexpress.com/item/1005...d=3RaFHSvjZRib
https://www.aliexpress.com/item/1005...d=3RaFHSvjZRib
This video shows some different views which is nice as well. I like how they don’t remove the pink wheel cover lol
Ordered one from mitsubishiparts.com Used them once before. Around $650, one year warranty.. probably give it an attempt myself first since I have all the A/C gauges. The system currently has no pressure so the leak is bigger than before…
This video shows some different views which is nice as well. I like how they don’t remove the pink wheel cover lol
https://youtu.be/cNveUQ5gqYA
This video shows some different views which is nice as well. I like how they don’t remove the pink wheel cover lol
https://youtu.be/cNveUQ5gqYA
I doubt that there are that many manjufacturers of that evap and it's quite possible that the genuine Mt. one may be just a stencil name on one that you could acquire for far less dough. For example, I just got a quote from our local dealer for a new key FOB -- $575 CAD. I just about had a heart attack. Do these dealers realize that one can buy a very good scanner/diagnostic tool for less than that, and it can do key programming on a $40 replacement?
I hope you report back during the evap replacement on how it's going.
Good luck.
Last edited by Outlaander; Jun 3, 2023 at 01:36 PM. Reason: typos
Yes, that's a great video. I also noticed that they did not remove that wheel cover. That job scares the hell out of me, although doing it would be a great learning experience.. My wife and I have only one vehicle, so we'd have to do some careful planning to make sure that we could be without the use of the vehicle for several days.
I doubt that there are that many manjufacturers of that evap and it's quite possible that the genuine Mt. one may be just a stencil name on one that you could acquire for far less dough. For example, I just got a quote from our local dealer for a new key FOB -- $575 CAD. I just about had a heart attack. Do these dealers realize that one can buy a very good scanner/diagnostic tool for less than that, and it can do key programming on a $40 replacement?
I hope you report back during the evap replacement on how it's going.
Good luck.
I doubt that there are that many manjufacturers of that evap and it's quite possible that the genuine Mt. one may be just a stencil name on one that you could acquire for far less dough. For example, I just got a quote from our local dealer for a new key FOB -- $575 CAD. I just about had a heart attack. Do these dealers realize that one can buy a very good scanner/diagnostic tool for less than that, and it can do key programming on a $40 replacement?
I hope you report back during the evap replacement on how it's going.
Good luck.
Last edited by Truwarrior22; Jun 15, 2023 at 09:16 AM.
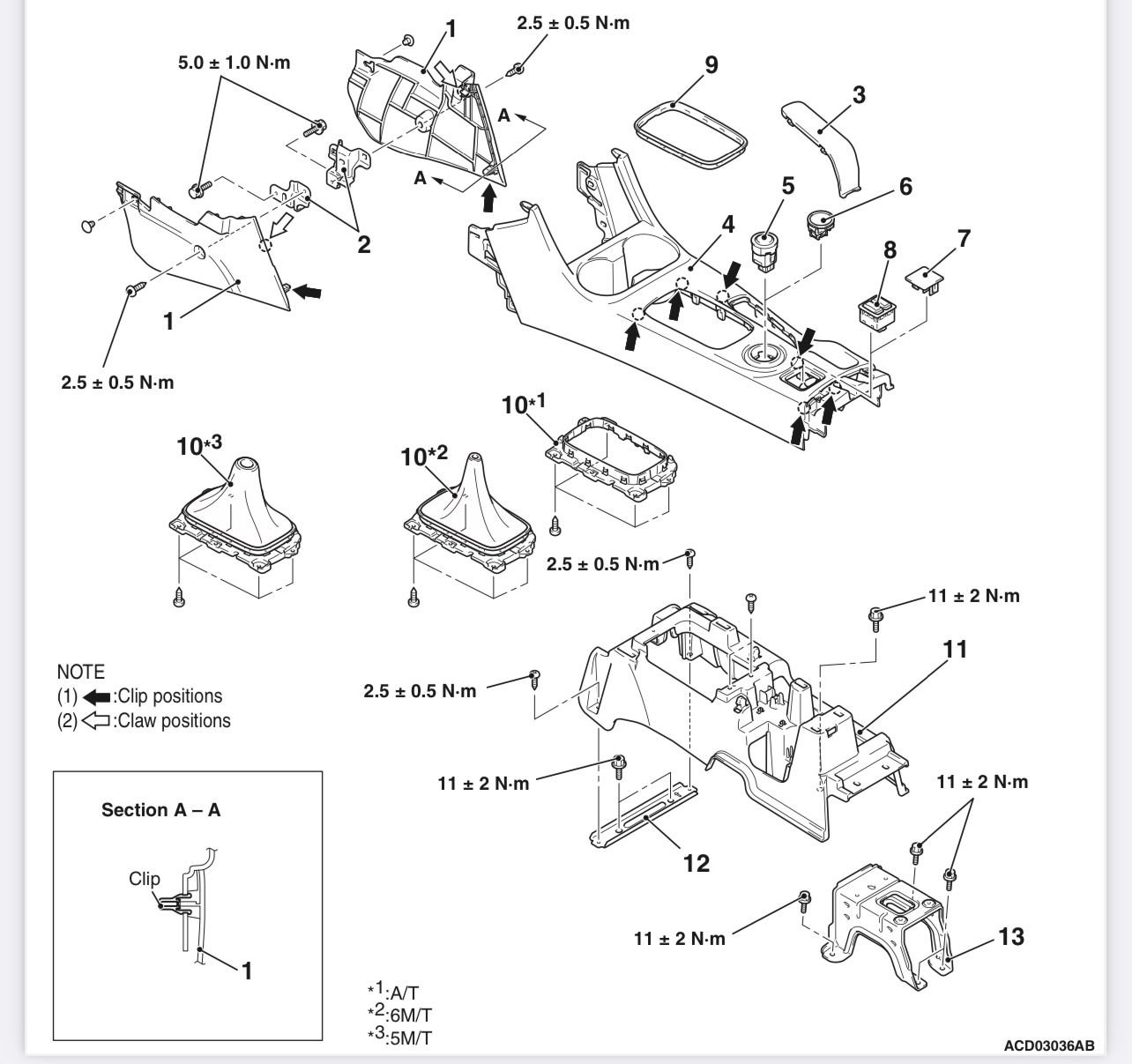
Two days ago I had to remove the small panel labeled 10*3 in the above diagram (our 2010's panel is slightly different than the one in the diagram) in order to hot-glue into position our vehicle's OBD port that had one broken securing clip that allowed the port to float around a bit too much for my liking. The pin on the left of the panel is a hassle to get out and even more so to re-install.
This job aslo provides to those who have a faulty blu tooth module (for phone use) the golden opportunity to replace the module during the course of the job.
Thanks again for posting your progress. I, for one, really appreciate it.
Fantastic that you've posted those diagrams. IMO, this being an important AC evaporator replacement and all that that entails, this thread should be stickied so that others who go through this will benefit from your experience.
Two days ago I had to remove the small panel labeled 10*3 in the above diagram (our 2010's panel is slightly different than the one in the diagram) in order to hot-glue into position our vehicle's OBD port that had one broken securing clip that allowed the port to float around a bit too much for my liking. The pin on the left of the panel is a hassle to get out and even more so to re-install.
This job aslo provides to those who have a faulty blu tooth module (for phone use) the golden opportunity to replace the module during the course of the job.
Thanks again for posting your progress. I, for one, really appreciate it.
Two days ago I had to remove the small panel labeled 10*3 in the above diagram (our 2010's panel is slightly different than the one in the diagram) in order to hot-glue into position our vehicle's OBD port that had one broken securing clip that allowed the port to float around a bit too much for my liking. The pin on the left of the panel is a hassle to get out and even more so to re-install.
This job aslo provides to those who have a faulty blu tooth module (for phone use) the golden opportunity to replace the module during the course of the job.
Thanks again for posting your progress. I, for one, really appreciate it.
I don’t think I saw much oil if any on the evaporator which is weird since my sniffer went off some in the vent every time the compressor kicked on.


